您现在的位置:
首页
>
政府信息公开
>
法定主动公开内容
>
通知公告
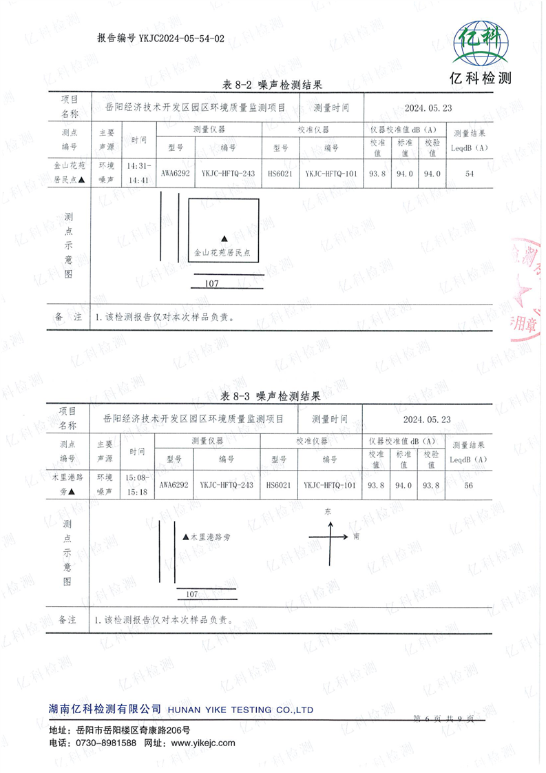
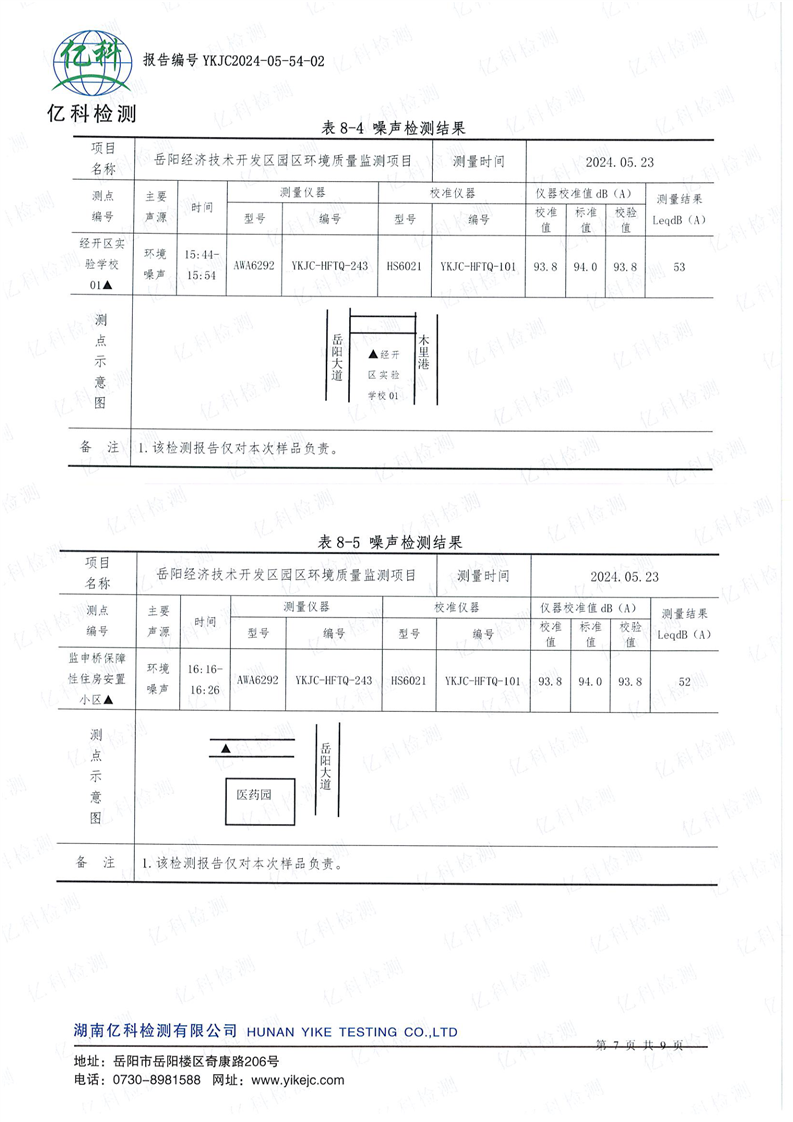
经开区园区环境质量监测报告2
来源:岳阳经济技术开发区
日期:2024-06-03
浏览量:
1
|
|
|
|