当前位置: 当前位置: 首页 > 政务公开 > 法定主动公开内容 > 通知公告

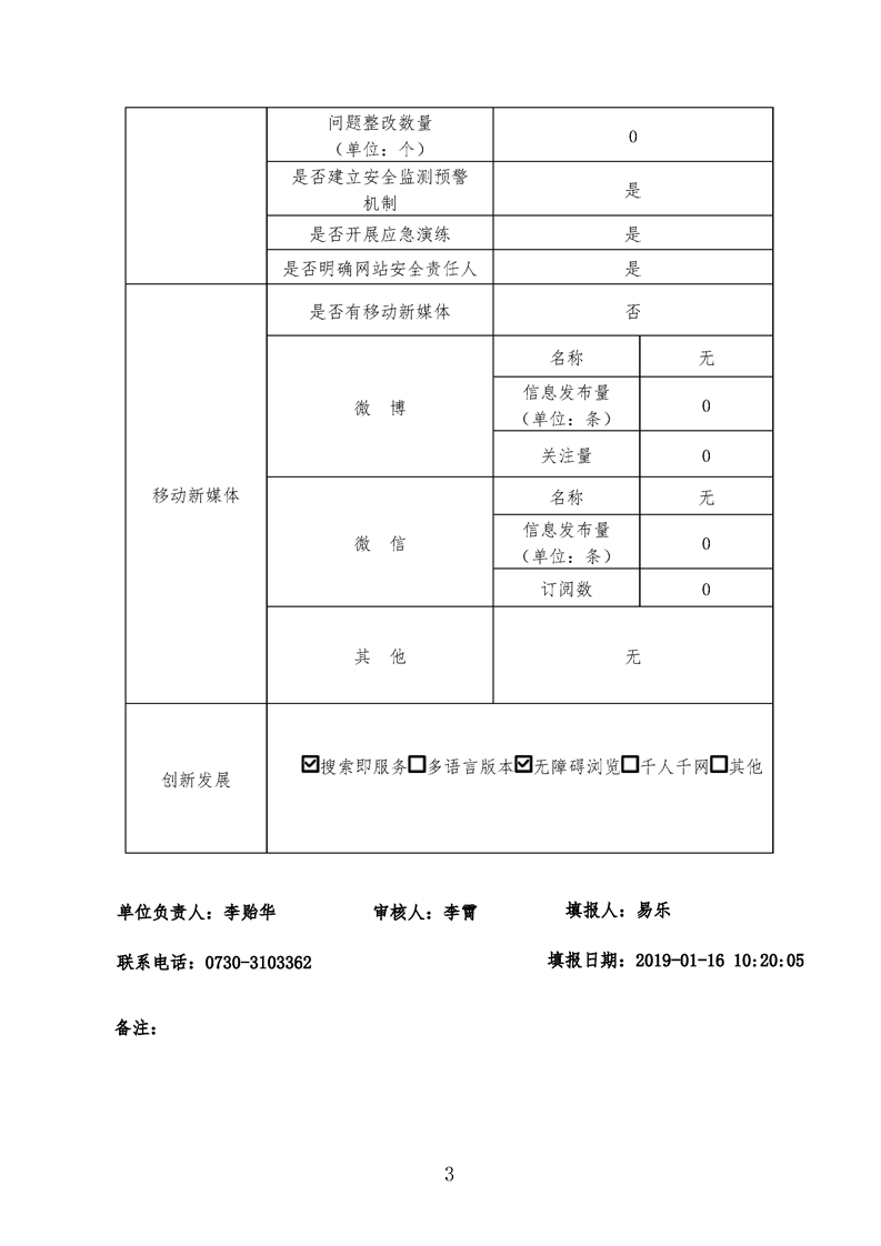
市供销合作联社网站工作2018年度报表

编稿时间:2019-01-16 10:34 来源:市供销联社